低速 DWDM 工业数字化SFP光模块
发布时间:2025-03-24 16:27:35
发布者:yth2206游艇会科技
浏览次数:380yth2206游艇会科技低速DWDM工业数字化SFP光模块适用于极端条件下的工业环境,DC~10Mbps;DC~20Mbps;等超宽低速通信能力,适配RS-485、CAN等工业协议,满足PLC、传感器等高精度控制需求。采用SFP封装与LC单纤接口,搭载DWDM技术,可选ITU-T标准波长(如1550nm/1310nm),通过单纤多信道复用显著节省光纤资源。模块配备DFB激光器与PIN探测器,支持20~80km传输,兼容SFF-8472数字诊断接口,实时监控光功率及温度状态,确保传输零误码。硬件层面采用3.3V低功耗设计(≤1W),LVTTL逻辑电平与≥8kV ESD防护强化抗干扰性,可选金属外壳定制方案(EMI抑制≤30dB),通过军品工业级(-45℃~85℃)或军品扩展级(-55℃~85℃)宽温认证及IEC 60068振动测试,耐受强电磁、高湿、机械冲击等恶劣条件,MTBF超20万小时。产品深度支持协议私有化与波长灵活配置,广泛应用于智能工厂、电力继保、油气监控及轨道交通等场景,以高可靠、低时延特性推动工业OT/IT网络融合,助力国产化自主可控替代。
产品特性:
速率:DC~10Mbps;DC~20Mbps;
SFP封装LC单纤连接器
DWDM可选波长DFB激光器和PIN光电探测器
数字诊断监视器接口兼容SFF-8472
可定制金属外壳,优异的抗电磁干扰性能
3.3V电源和LVTTL逻辑电平
极低的电磁干扰和优良的ESD保护
工作温度:
J:-45°C~85°C
M:-55°C~85°C
产品应用:
工业控制设备
订购信息表:
|
型号 |
速率 | 波长 | 传输距离 | 光纤类型 | 接口 | 工作温度(注1) |
| DTACS**(注2)-VVLRJ1 | DC~10Mbps | DWDM | 150KM | 单模 |
LC |
-45°C~85°C |
| DTACS**(注2)-VVLRM1 | DC~10Mbps | DWDM | 150KM | 单模 | LC | -55°C~85°C |
| DTABS**(注2)-UULRJ1 | DC~20Mbps | DWDM | 150KM | 单模 |
LC |
-45°C~85°C |
| DTABS**(注2)-UULRM1 | DC~20Mbps | DWDM | 150KM | 单模 | LC | -55°C~85°C |
| DTACP**(注2)-UULEJ1 | DC~20Mbps | DWDM | 40KM | 单模 |
LC |
-45°C~85°C |
| DTACP**(注2)-UULEM1 | DC~20Mbps | DWDM | 40KM | 单模 | LC | -55°C~85°C |
注1:外壳温度.
注2:“**”表示DEDM波长,详见波长代码对照表。
DWDM波长对应代码表:
| 代码 |
通道 |
中心频率(THz) | 中心波长(nm) | 代码 | 通道 | 中心频率(THz) | 中心波长(nm) |
|
47 |
C13.0 | 191.30 | 1567.13 | B2 | C38.5 | 193.85 | 1546.52 |
| 48 | C23.5 | 191.35 | 1566.72 | B3 | C39.0 | 193.90 | 1546.12 |
| 49 | C14.0 | 191.40 | 1566.31 | B4 | C39.5 | 193.95 | 1545.72 |
| 52 | C14.5 | 191.45 | 1565.90 | B5 | C40.0 | 194.00 | 1545.32 |
| 53 | C15.0 | 191.50 | 1565.50 | B6 | C40.5 | 194.05 | 1544.92 |
| 54 | C15.5 | 191.55 | 1565.09 | B7 | C41.0 | 194.10 | 1544.53 |
| 55 | C16.0 | 191.60 | 1564.68 | B8 | C41.5 | 194.15 | 1544.13 |
| 56 | C16.5 | 191.65 | 1564.27 | B9 | C42.0 | 194.20 | 1543.73 |
| 57 | C17.0 | 191.70 | 1563.86 | C2 | C42.5 | 194.25 | 1543.33 |
| 58 | C17.5 | 191.75 | 1563.45 | C3 | C43.0 | 194.30 | 1542.94 |
| 59 | C18.0 | 191.80 | 1563.05 | C4 | C43.5 | 194.35 | 1542.54 |
| 62 | C18.5 | 191.85 | 1562.64 | C5 | C44.0 | 194.40 | 1542.14 |
| 63 | C19.0 | 191.90 | 1562.23 | C6 | C44.5 | 194.45 | 1541.75 |
| 64 | C19.5 | 191.95 | 1561.82 | C7 | C45.0 | 194.50 | 1541.35 |
| 65 | C20.0 | 192.00 | 1561.42 | C8 | C45.5 | 194.55 | 1540.95 |
| 66 | C20.5 | 192.05 | 1561.01 | C9 | C46.0 | 194.60 | 1540.56 |
| 67 | C21.0 | 192.10 | 1560.61 | D2 | C46.5 | 194.65 | 1540.16 |
| 68 | C21.5 | 192.15 | 1560.20 | D3 | C47.0 | 194.70 | 1539.77 |
| 69 | C22.0 | 192.20 | 1559.79 | D4 | C47.5 | 194.75 | 1539.37 |
| 72 | C22.5 | 192.25 | 1559.39 | D5 | C48.0 | 194.80 | 1538.98 |
| 73 | C23.0 | 192.30 | 1558.98 | D6 | C48.5 | 194.85 | 1538.58 |
| 74 | C23.5 | 192.35 | 1558.58 | D7 | C49.0 | 194.90 | 1538.19 |
| 75 | C24.0 | 192.40 | 1558.17 | D8 | C49.5 | 194.95 | 1537.79 |
| 76 | C24.5 | 192.45 | 1557.77 | D9 | C50.0 | 195.00 | 1537.40 |
| 77 | C25.0 | 192.50 | 1557.36 | E2 | C50.5 | 195.05 | 1537.00 |
| 78 | C25.5 | 192.55 | 1556.96 | E3 | C51.0 | 195.10 | 1536.61 |
| 79 | C26.0 | 192.60 | 1556.55 | E4 | C51.5 | 195.15 | 1536.22 |
| 82 | C26.5 | 192.65 | 1556.15 | E5 | C52.0 | 195.20 | 1535.82 |
| 83 | C27.0 | 192.70 | 1555.75 | E6 | C52.5 | 195.25 | 1535.43 |
| 84 | C27.5 | 192.75 | 1555.34 | E7 | C53.0 | 195.30 | 1535.04 |
| 85 | C28.0 | 192.80 | 1554.94 | E8 | C53.5 | 195.35 | 1534.64 |
| 86 | C28.5 | 192.85 | 1554.54 | E9 | C54.0 | 195.40 | 1534.25 |
| 87 | C29.0 | 192.90 | 1554.13 | F2 | C54.5 | 195.45 | 1533.86 |
| 88 | C29.5 | 192.95 | 1553.73 | F3 | C55.0 | 195.50 | 1533.47 |
| 89 | C30.0 | 193.00 | 1553.33 | F4 | C55.5 | 195.55 | 1533.07 |
| 92 | C30.5 | 193.05 | 1552.93 | F5 | C56.0 | 195.60 | 1532.68 |
| 93 | C31.0 | 193.10 | 1552.52 | F6 | C56.5 | 195.65 | 1532.29 |
| 94 | C31.5 | 193.15 | 1552.12 | F7 | C57.0 | 195.70 | 1531.90 |
| 95 | C32.0 | 193.20 | 1551.72 | F8 | C57.5 | 195.75 | 1531.51 |
| 96 | C32.5 | 193.25 | 1551.32 | F9 | C58.0 | 195.80 | 1531.12 |
| 97 | C33.0 | 193.30 | 1550.92 | G2 | C58.5 | 195.85 | 1530.72 |
| 98 | C33.5 | 193.35 | 1550.52 | G3 | C59.0 | 195.90 | 1530.33 |
| 99 | C34.0 | 193.40 | 1550.12 | G4 | C59.5 | 195.95 | 1529.94 |
| A2 | C34.5 | 193.45 | 1549.72 | G5 | C60.0 | 196.00 | 1529.55 |
| A3 | C35.0 | 193.50 | 1549.32 | G6 | C60.5 | 196.05 | 1529.16 |
| A4 | C35.5 | 193.55 | 1548.91 | G7 | C61.0 | 196.10 | 1528.77 |
| A5 | C36.0 | 193.60 | 1548.51 | G8 | C61.5 | 196.15 | 1528.38 |
| A6 | C36.5 | 193.65 | 1548.11 | G9 | C62.0 | 196.20 | 1527.99 |
| A7 | C37.0 | 193.70 | 1547.72 | H2 | C62.5 | 196.25 | 1527.61 |
| A8 | C37.5 | 193.75 | 1547.32 | H3 | C63.0 | 196.30 | 1527.22 |
| A9 | C38.0 | 193.80 | 1546.92 |
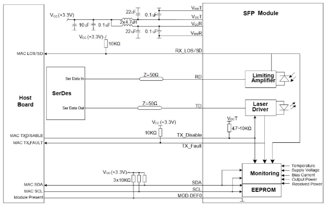
推荐外围电路:
模块尺寸图:(单位为毫米)





