单路双纤双向收发SFP光模块
发布时间:2025-02-06 09:31:09
发布者:yth2206游艇会科技
浏览次数:428单路双纤双向 SFP 光模块具备出色的数据传输能力,能够实现高速、稳定的信号传输。无论是在企业网络、数据中心还是电信运营商的通信网络中,它都能确保数据的快速、准确传递。其高速的数据传输速率,能够满足各种高带宽应用的需求,如高清视频传输、大数据分析等;
该光模块采用先进的技术和高品质的材料制造,具有极高的可靠性。它能够在各种恶劣的环境条件下稳定工作,如高温、低温、潮湿等环境。同时,它还具备良好的抗干扰能力,能够有效抵御外界的电磁干扰,确保数据传输的稳定性和可靠性;
单路双纤双向 SFP 光模块适用于多种应用场景。在企业网络中,它可以用于连接服务器、交换机、路由器等设备,实现高速数据传输。在数据中心,它可以用于构建高速、可靠的网络架构,满足大规模数据存储和处理的需求。在电信运营商的通信网络中,它可以用于实现光纤到户、光纤到大楼等光接入网的应用,为用户提供高速、稳定的网络服务;

SFP光模块采用小型可插拔(SFP)设计,安装和使用非常便捷。它可以直接插入设备的光模块插槽中,无需进行复杂的布线和安装操作。同时,它还支持热插拔功能,即在设备运行过程中可以随时插拔光模块,不会影响设备的正常运行。

产品特性:
SFP MSA封装,支持热插拔
单路双纤双向,LC连接器
支持速率:155Mbps,622Mbps,1.25Gbps,2.5Gbps,3.125Gbps
多模模块传输距离最高可达2km
单模模块传输距离10km~200km可选
单3.3V电源供电
信号输入/输出CML电平
带数字诊断功能,符合SFF-8472
极低的电磁干扰和优良的ESD保护
可选国产化方案
产品等级:
军品工业级(J):-40°C/-45°C~+85°C
军品扩展工业级(M):-55°C~+85°C
产品应用:
百兆以太网交换机和路由器
光纤交换机基础设施
其他光学链接
执行标准:
符合I类激光安全标准IEC-60825
SFF-8472
ROHS2.0
ONETOC-24/SDHSTM-8
订购信息表:
| 型号 | 速率 | 波长 | 传输距离 | 光纤类型 | 数据诊断 | 接口 | 工作温度(注1) |
| DTACS44-KKLD*(注2)1 | 155M | 850nm | 2km | 多模 | 带 | LC | J/M |
| DTACS45-KKLD*(注2)1 | 155M | 1310nm | 2km | 多模 | 带 | LC | J/M |
| DTACS45-KKLL*(注2)1 | 155M | 1310nm | 10km | 单模 | 带 | LC | J/M |
| DTACS45-KKLG*(注2)1 | 155M | 1310nm | 20km | 单模 | 带 | LC | J/M |
| DTACS45-KKLE*(注2)1 | 155M | 1310nm | 40km | 单模 | 带 | LC | J/M |
| DTACS45-KKLHJ1(注3) | 155M | 1310nm | 60km | 单模 | 带 | LC | -45°C~85°C |
| DTACS46-KKLE*(注2)1 | 155M | 1550nm | 40km | 单模 | 带 | LC | J/M |
| DTACS46-KKLZ*(注2)1 | 155M | 1550nm | 0km8 | 单模 | 带 | LC | J/M |
| DTACS46-KKLQ*(注2)1 | 155M | 1550nm | 120km | 单模 | 带 | LC | J/M |
| DTACS46-KKLB*(注2)1 | 155M | 1550nm | 160km | 单模 | 带 | LC | J/M |
| DTACS46-KKLA*(注2)1 | 155M | 1550nm | 200km | 单模 | 带 | LC | J/M |
| DTACS44-RRLD*(注2)1 | 622M | 850nm | 500m | 多模 | 带 | LC | J/M |
| DTACS45-RRLL*(注2)1 | 622M | 1310nm | 10km | 单模 | 带 | LC | J/M |
| DTACS45-RRLG*(注2)1 | 622M | 1310nm | 20km | 单模 | 带 | LC | J/M |
| DTACS45-RRLE*(注2)1 | 622M | 1310nm | 40km | 单模 | 带 | LC | J/M |
| DTACS46-RRLZ*(注2)1 | 622M | 1550nm | 80km | 单模 | 带 | LC | J/M |
| DTACS46-RRLQ*(注2)1 | 622M | 1550nm | 120km | 单模 | 带 | LC | J/M |
| DTACS46-RRLB*(注2)1 | 622M | 1550nm | 160km | 单模 | 带 | LC | J/M |
DTACS44-11LD*(注2)1 | 1.25G | 850nm | 500m | 多模 | 带 | LC | J/M |
| DTACS45-11LL*(注2)1 | 1.25G | 1310nm | 10km | 单模 | 带 | LC | J/M |
| DTACS45-11LG*(注2)1 | 1.25G | 1310nm | 20km | 单模 | 带 | LC | J/M |
| DTACS45-11LE*(注2)1 | 1.25G | 1310nm | 40km | 单模 | 带 | LC | J/M |
| DTACS46-11LZ*(注2)1 | 1.25G | 1550nm | 80km | 单模 | 带 | LC | J/M |
| DTACS46-11LQ*(注2)1 | 1.25G | 1550nm | 120km | 单模 | 带 | LC | J/M |
| DTACS46-11LB*(注2)1 | 1.25G | 1550nm | 160km | 单模 | 带 | LC | J/M |
| DTACS44-22LS*(注2)1 | 2.5G | 850nm | 300m | 多模 | 带 | LC | J/M |
| DTACS45-22LL*(注2)1 | 2.5G | 1310nm | 10km | 单模 | 带 | LC | J/M |
| DTACS45-22LG*(注2)1 | 2.5G | 1310nm | 20km | 单模 | 带 | LC | J/M |
| DTACS45-22LE*(注2)1 | 2.5G | 1310nm | 40km | 单模 | 带 | LC | J/M |
| DTACS46-22LZ*(注2)1 | 2.5G | 1550nm | 80km | 单模 | 带 | LC | J/M |
| DTACS46-22LQ*(注2)1 | 2.5G | 1550nm | 120km | 单模 | 带 | LC | J/M |
| DTACS44-33LS*(注2)1 | 3.125G | 850nm | 300m | 多模 | 带 | LC | J/M |
| DTACS45-33LG*(注2)1 | 3.125G | 1310nm | 20km | 单模 | 带 | LC | J/M |
| DTACS45-33LE*(注2)1 | 3.125G | 1310nm | 40km | 单模 | 带 | LC | J/M |
注1:外壳温度
注2:“*”=J表示模块工作温度为-45°C~85°C,“*”=M表示模块工作温度为-55°C~85°C
注3:客户定制60km且可短接产品。
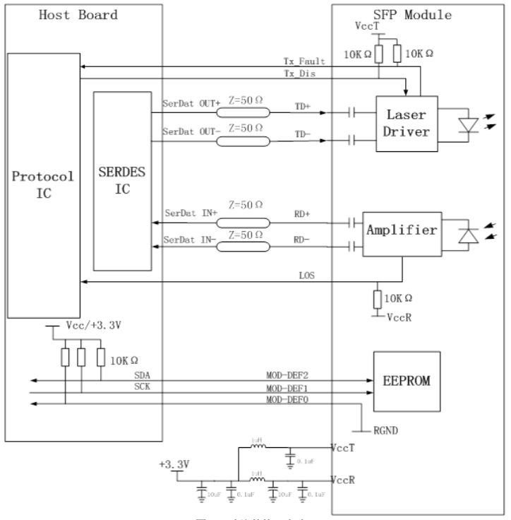
建议的电路接口:

模块尺寸图:(单位为毫米)






